产品导航
联系我们
河北维特电气有限公司
手机:13932819377
邮箱:76663880@qq.com 地址:河北省武强县大杨庄工业区
手机:13932819377
邮箱:76663880@qq.com 地址:河北省武强县大杨庄工业区
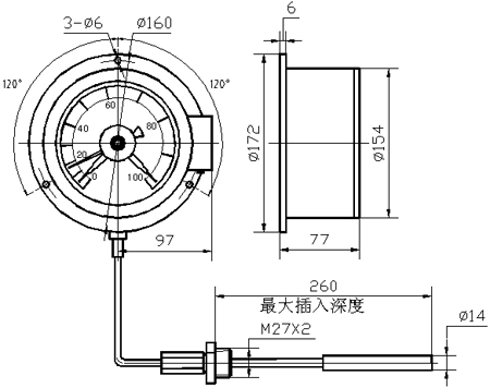
WTZ-288电接点温度计
|
|
|
一、概况
WTZ-288型 系列电接点温度计适用于16米距离内,测量范围(-20~+120)℃,无腐蚀场合的温度测量和控制。
WTZ-288型 系列电接点温度计采用压力式温度计原理制成,具有结构简单、使用方便和价格低廉等特点。

二、主要技术指标 WTZ-288、WTQ-288 电接点压力式温度计
1. 温度标度和测量范围(℃):
标度范围 -20~+60 0~100 20~120
测量范围 20~60 40~100 60~120
2. 指示精确度:1.5(测量范围部分的要求)
3. 尾长(m):3,5,10,16(也可按照用户要求定制。如不指明长度,
按5m供货)
4. 电接点性能:
(1)接点型式:上,下限;(2)接点容量10VA(无感负载)
(2)接线图:如图二所示;(4)控制状态说明:如表一所示
|
控制方式
|
被测量温度值
|
接点工作状态
|
|
|
上下限
|
小于上下限设定值
|
1-2
3-2
|
断
闭
|
|
大于下限设定值
小于上限设定值
|
1-2
3-2
|
断
断
|
|
|
大于上下限设定值
|
1-2
3-2
|
闭
断
|
|
三、外接线路参考
WTZ(Q)-288型系列电接点温度计上下限电装置的接点容量为10VA无感,所以每一个用户都要解决接点功率放大问题。为了方便用户,我们将具有抗振和灭弧效果的功放线路推荐如下:
线路提示:
该功放线路中的下限接点只要接触一次,线圈回路便进入自锁状态。也只有当上限接点动作一次,下限回路才退出自锁,从而实现保护电触头的要求。
产品所在位置:http://www.e8a906.cn/products/wdj/54.html













